×

接触点

接触点

除终端设备外,还应考虑所有连接到网络的人员、场所和事物。

了解更多

资源

资源

了解最佳实践,探索创新解决方案,并与整个贝克社区的其他合作伙伴建立联系。

联系我们

BMX7A 是一款全数字 SIP 音视频 Android VOIP 电话主板,面向开发 IP 电话、对讲设备、服务终端及其他联网语音通信产品的 OEM 厂商与设备开发者而设计。它基于成熟的 VoIP 架构,并采用 Rockchip PX30 平台,在一块紧凑型主板上结合了稳定的 SIP 通信、灵活的接口扩展能力以及实用的硬件集成能力。

这块主板面向需要超越基础电话功能的产品。除了标准的手柄和耳机连接外,BMX7A 还支持免提音频、双千兆以太网、PoE、USB、键盘扩展、状态 LED 扩展、挂机开关输入以及 7 英寸彩色显示接口。这使其适用于桌面商务电话、专用通信终端以及定制化嵌入式语音设备。

BMX7A 专为需要现成 SIP 通信核心、同时又希望根据不同终端结构、用户界面和语音交互需求进行灵活适配的开发者而打造。
BMX7A SIP Android VOIP 主板外观,配备双以太网端口、电源输入和多个扩展连接器
BMX7A VOIP 电话主板外观

核心平台概览

基于 Android 的 SIP VOIP 电话主板架构

BMX7A 运行于 Android 9.0,并支持标准 SIP 2.0 及相关 RFC 协议,为产品设计人员提供了一个熟悉且广泛兼容的 IP 语音通信基础。它最多可支持 20 条 SIP 线路,因此适合需要多线路通话处理、丰富分机功能或更高级呼叫管理逻辑的终端。

由于这块主板被设计为 VOIP 电话主板,而不是封闭式成品设备,因此它特别适合那些需要定制工业设计、专用功能按键、定制显示界面或应用层集成的开发项目。该平台为硬件团队和软件团队在嵌入式设计与可部署 SIP 通信产品之间提供了一座实用桥梁。

稳定的语音链路与全双工通信

语音性能是 BMX7A 的核心优势之一。该主板采用数字全双工免提设计,可提供响亮清晰的通信效果,这对于部署在嘈杂工作区域、公共服务点或高频通信工作位上的终端尤为重要。它还支持回声消除,有助于提升免提场景下的通话清晰度。

该主板支持多种编解码器,包括 G.729AB、G.711A/U、iLBC、G.722 和 Opus。这为开发者在不同 SIP 服务器和部署环境中平衡带宽、兼容性与音频质量提供了灵活性。

硬件与接口亮点

网络、电源与外设连接能力

BMX7A 配备双 10/100/1000 Mbps 以太网端口,用于 WAN 和 LAN 连接,可实现高速网络接入以及与 IP 通信系统的直接集成。PoE 支持进一步提升了部署便利性,尤其适用于不便单独布设电源或优先考虑简化布线的终端安装场景。

该主板还支持 5V/2A 直流电源输入、1 个 USB 2.0 端口、RJ9 手柄与耳机接口,以及专用的免提麦克风和扬声器连接器。对于开发桌面电话、求助终端或集成式 SIP 终端的产品团队而言,这些接口在保留设计灵活性的同时,也能降低开发复杂度。

MBX7A 主板尺寸图,显示 129×95 毫米外形尺寸及安装孔位
BMX7A 主板尺寸

显示与扩展能力

该主板提供了一个 40 针 FPC 接口,用于连接 7 英寸彩色显示屏,从而支持更丰富的用户界面、菜单式操作、可视化状态显示以及基于触控的定制产品体验。这对于需要超越简单单色电话界面的通信终端非常有用,例如智能接待设备、操作员终端或多功能通信面板。

除显示接口外,BMX7A 还支持数字键盘扩展 I/O、LED 扩展 I/O 以及挂机开关接口。这些扩展资源使开发者能够构建带有专用功能键、可视化通话状态指示、手柄状态机械检测及更专业运行逻辑的产品。

BMX7A 的价值不仅在于 SIP 通话本身,更在于它能够轻松适配不同形态的终端,并支持定制化控制、显示方式与用户交互方法。
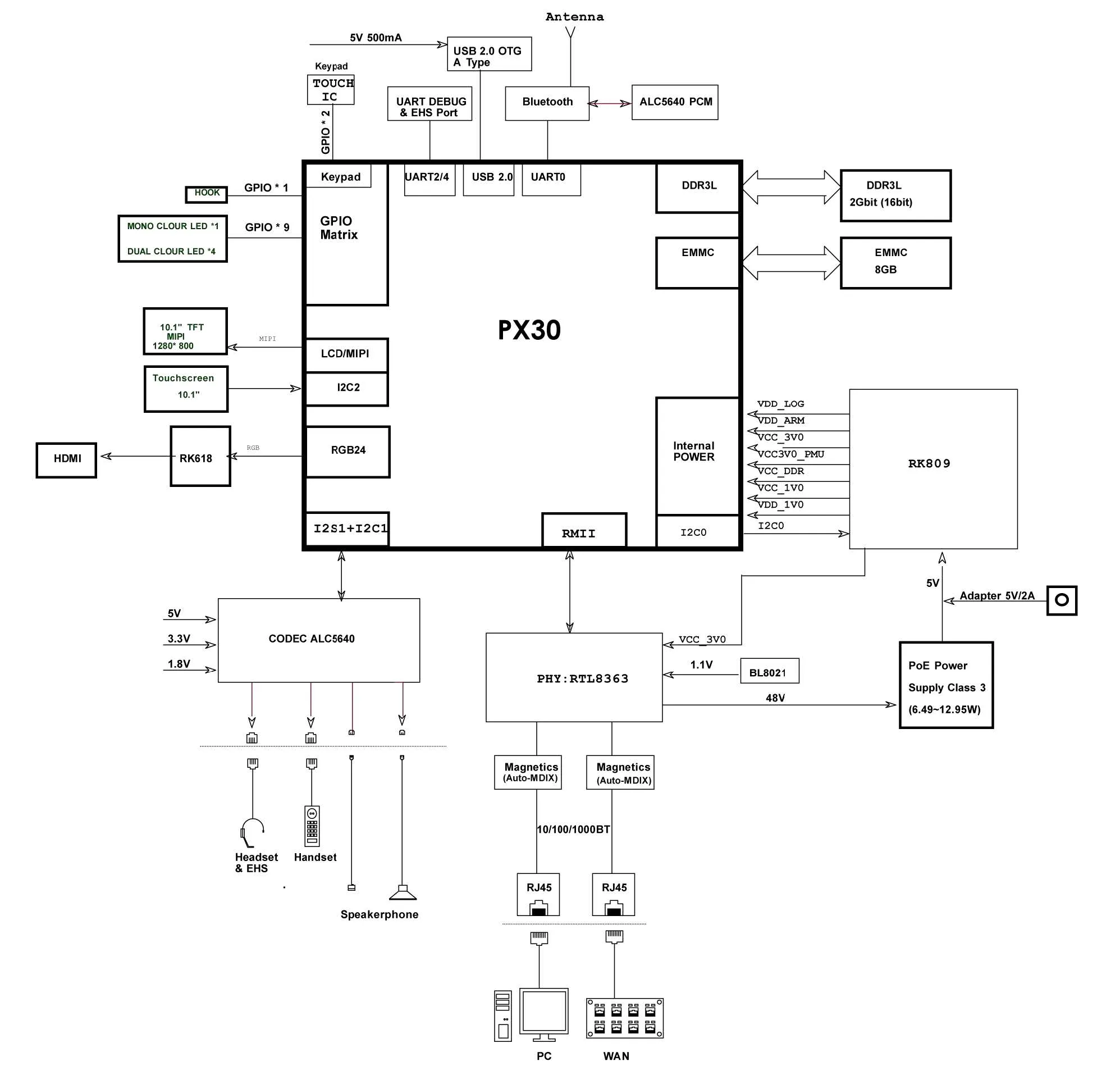
MBX7A 硬件框图,展示 PX30 平台、以太网、音频、LCD、键盘、USB、Bluetooth 与电源架构
BMX7A 硬件框图

典型产品开发应用

商务 IP 电话与智能桌面终端

BMX7A 是一款适用于商务 IP 电话的硬件核心,特别适合那些需要 Android 软件能力、多线路 SIP 支持以及更丰富显示环境的产品。它可用于高管通信、服务台、调度工作站或高级办公终端等产品,这类场景通常非常重视显示交互和外设集成。

对于开发智能桌面通信设备的团队来说,手柄模式、耳机模式与免提模式的组合,可为不同通话习惯和工作方式提供灵活支持。

定制对讲与服务通信设备

该主板同样适用于定制对讲和服务终端应用。凭借全双工音频、状态指示、键盘扩展和屏幕连接能力,BMX7A 可被应用于访客通信终端、室内服务站、信息台以及需要 SIP 语音和可配置嵌入式硬件基础的专用支持终端。

在这些场景中,开发者可以将该主板作为通信引擎,同时围绕目标应用的具体需求来设计外壳、键盘布局、可视界面和系统行为。

嵌入式 OEM 通信项目

OEM 项目通常需要在成熟通信能力与硬件设计自由度之间取得平衡。BMX7A 通过提供成熟的 SIP 与 Android 平台,以及集成显示屏、键盘、音频模块、LED 和本地外设所需的接口,满足了这一需求。与从零开始构建整套通信平台相比,它能够明显缩短开发周期。

它尤其适合那些最终产品需要品牌化前端、专用外壳或行业特定运行逻辑,同时后端仍依赖标准 SIP 通信的项目。

为什么 BMX7A 对产品设计人员更实用

无需重构 SIP 核心的灵活集成

BMX7A 最突出的实际优势之一,在于它让工程团队可以把精力集中在终端差异化设计上,而不是重新搭建底层 VoIP 平台。该主板已经提供了 SIP 终端所需的通信框架、音频链路、网络基础以及核心硬件接口。

这有助于降低集成风险、控制开发周期,并让团队更容易基于同一套 VOIP 电话主板平台开发多个产品型号。团队可以在不同产品之间复用同样的主板架构,只需调整外壳、键盘布局、显示风格或前端软件体验即可。

兼顾功能与扩展

BMX7A 并不局限于某一类狭窄设备。只要项目同时需要 SIP 语音、用户交互以及嵌入式灵活性,它的接口组合就具备实用价值。对制造商和开发者而言,这种平衡通常比一块无法适配更广产品规划的固定功能主板更有价值。

凭借 Android 9.0、最多 20 条 SIP 线路、千兆网络、PoE、USB、显示支持以及多种扩展接口,BMX7A 为通信终端开发提供了完整而均衡的硬件基础。

结论

BMX7A 是一款紧凑但功能完善的 SIP Android VOIP 电话主板,适用于开发定制 IP 通信终端的团队。它将稳定的 VoIP 基础、清晰的全双工音频、灵活的接口扩展以及实用的网络连接能力整合在一块主板上,可支持商务电话、对讲设备、服务终端及嵌入式 OEM 通信产品。

对于正在评估可定制 SIP 硬件平台的团队来说,BMX7A 为将通信需求转化为具备自有界面风格、机械结构和运行逻辑的成品设备,提供了坚实的起点。

专业的工业通信制造商,提供高可靠性通信保障!
合作咨询
客服 电话
We use cookie to improve your online experience. By continuing to browse this website, you agree to our use of cookie.

Cookies

This Cookie Policy explains how we use cookies and similar technologies when you access or use our website and related services. Please read this Policy together with our Terms and Conditions and Privacy Policy so that you understand how we collect, use, and protect information.

By continuing to access or use our Services, you acknowledge that cookies and similar technologies may be used as described in this Policy, subject to applicable law and your available choices.

Updates to This Cookie Policy

We may revise this Cookie Policy from time to time to reflect changes in legal requirements, technology, or our business practices. When we make updates, the revised version will be posted on this page and will become effective from the date of publication unless otherwise required by law.

Where required, we will provide additional notice or request your consent before applying material changes that affect your rights or choices.

What Are Cookies?

Cookies are small text files placed on your device when you visit a website or interact with certain online content. They help websites recognize your browser or device, remember your preferences, support essential functionality, and improve the overall user experience.

In this Cookie Policy, the term “cookies” also includes similar technologies such as pixels, tags, web beacons, and other tracking tools that perform comparable functions.

Why We Use Cookies

We use cookies to help our website function properly, remember user preferences, enhance website performance, understand how visitors interact with our pages, and support security, analytics, and marketing activities where permitted by law.

We use cookies to keep our website functional, secure, efficient, and more relevant to your browsing experience.

Categories of Cookies We Use

Strictly Necessary Cookies

These cookies are essential for the operation of the website and cannot be disabled in our systems where they are required to provide the service you request. They are typically set in response to actions such as setting privacy preferences, signing in, or submitting forms.

Without these cookies, certain parts of the website may not function correctly.

Functional Cookies

Functional cookies enable enhanced features and personalization, such as remembering your preferences, language settings, or previously selected options. These cookies may be set by us or by third-party providers whose services are integrated into our website.

If you disable these cookies, some services or features may not work as intended.

Performance and Analytics Cookies

These cookies help us understand how visitors use our website by collecting information such as traffic sources, page visits, navigation behavior, and general interaction patterns. In many cases, this information is aggregated and does not directly identify individual users.

We use this information to improve website performance, usability, and content relevance.

Targeting and Advertising Cookies

These cookies may be placed by our advertising or marketing partners to help deliver more relevant ads and measure the effectiveness of campaigns. They may use information about your browsing activity across different websites and services to build a profile of your interests.

These cookies generally do not store directly identifying personal information, but they may identify your browser or device.

First-Party and Third-Party Cookies

Some cookies are set directly by our website and are referred to as first-party cookies. Other cookies are set by third-party services, such as analytics providers, embedded content providers, or advertising partners, and are referred to as third-party cookies.

Third-party providers may use their own cookies in accordance with their own privacy and cookie policies.

Information Collected Through Cookies

Depending on the type of cookie used, the information collected may include browser type, device type, IP address, referring website, pages viewed, time spent on pages, clickstream behavior, and general usage patterns.

This information helps us maintain the website, improve performance, enhance security, and provide a better user experience.

Your Cookie Choices

You can control or disable cookies through your browser settings and, where available, through our cookie consent or preference management tools. Depending on your location, you may also have the right to accept or reject certain categories of cookies, especially those used for analytics, personalization, or advertising purposes.

Please note that blocking or deleting certain cookies may affect the availability, functionality, or performance of some parts of the website.

Restricting cookies may limit certain features and reduce the quality of your experience on the website.

Cookies in Mobile Applications

Where our mobile applications use cookie-like technologies, they are generally limited to those required for core functionality, security, and service delivery. Disabling these essential technologies may affect the normal operation of the application.

We do not use essential mobile application cookies to store unnecessary personal information.

How to Manage Cookies

Most web browsers allow you to manage cookies through browser settings. You can usually choose to block, delete, or receive alerts before cookies are stored. Because browser controls vary, please refer to your browser provider’s support documentation for details on how to manage cookie settings.

Contact Us

If you have any questions about this Cookie Policy or our use of cookies and similar technologies, please contact us at support@becke.cc .